Отборные устройства давления (манометрические сборки)
ОУД-16-200-01

|
Комплектация
|
||||
|
Условное обозначение
|
ОУД-16-200-01-А
(15с67бк1)
|
ОУД-16-400-01-А
(15с67бк1)
|
ОУД-16-200-01-Б
(15нж67бк)
|
ОУД-16-400-01-Б
(15нж67бк)
|
|
Исполнение
|
01-А
|
01-Б
|
||
|
Материал
|
Ст.20 оцинковка
|
12Х18Н10Т
|
||
|
Поз.1
|
Отвод ОС-16-16-А
|
Отвод ОС-16-16-Б
|
||
|
Поз.2
|
Переходник 7/24-R1/2-R1/2-А
|
Переходник 7/24-R1/2-R1/2-Б
|
||
|
Поз.3
|
Клапан 15с67бк1
Т≥200°С
|
Клапан 15с67бк1
Т≥400°С
|
Клапан 15нж67бк
Т≥200°С
|
Клапан 15нж67бк
Т≥400°С
|
|
Примечание – Возможна комплектация отводов в соответствии с заявкой заказчика.
|
||||
ОУД-1,6-70-01-А
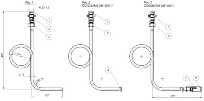
Отборное устройство давления: Исполнение – прямое,

|
Комплектация отборного устройства ОУД-1,6-70-01-А
|
||||
|
Поз.
|
Наименование
|
рис.1
|
рис.2
|
рис.3
|
|
кол-во, шт.
|
||||
|
1
|
Кран 11б18бк1
|
1
|
1
|
1
|
|
2
|
Отвод ОС-16-01н-G1/2-А
|
1
|
1
|
-
|
|
3
|
Прокладка медная
|
1
|
1
|
2
|
|
4
|
Бобышка БОС-14
|
-
|
1
|
-
|
|
5
|
Отвод ОС-16-01нн-G1/2-М20х1,5-А
|
-
|
-
|
1
|
|
6
|
Бобышка 3/28-50-М20х1,5
|
-
|
-
|
1
|
Примечание – Возможна комплектация отводов исполнения 01 на давления, температуры и среды, в соответствии с заявкой заказчика.
ОУД-1,6-70-02-А
Отборное устройство давления: Исполнение – угловое,

|
Комплектация отборного устройства ОУД-1,6-70-02-А
|
||||
|
Поз.
|
Наименование
|
рис.1
|
рис.2
|
рис.3
|
|
кол-во, шт.
|
||||
|
1
|
Кран 11б18бк1
|
1
|
1
|
1
|
|
2
|
Отвод ОС-16-02н-G1/2-А
|
1
|
1
|
-
|
|
3
|
Прокладка медная
|
1
|
1
|
2
|
|
4
|
Бобышка БОС-14
|
-
|
1
|
-
|
|
5
|
Отвод ОС-16-02нн-G1/2-М20х1,5-А
|
-
|
-
|
1
|
|
6
|
Бобышка 3/28-50-М20х1,5
|
-
|
-
|
1
|
Примечание – Возможна комплектация отводов исполнения 02 на давления, температуры и среды, в соответствии с заявкой заказчика.
ОУД-1,6-70-03-А
Отборное устройство давления: Исполнение – угловое,

|
Комплектация отборного устройства ОУД-1,6-70-03-А
|
||||
|
Поз.
|
Наименование
|
рис.1
|
рис.2
|
рис.3
|
|
кол-во, шт.
|
||||
|
1
|
Кран 11б18бк1
|
1
|
1
|
1
|
|
2
|
Отвод ОС-16-03н-G1/2-А
|
1
|
1
|
-
|
|
3
|
Прокладка медная
|
1
|
1
|
2
|
|
4
|
Бобышка БОС-14
|
-
|
1
|
-
|
|
5
|
Отвод ОС-16-03нн-G1/2-М20х1,5-А
|
-
|
-
|
1
|
|
6
|
Бобышка 3/28-50-М20х1,5
|
-
|
-
|
1
|
Примечание – Возможна комплектация отводов исполнения 03 на давления, температуры и среды, в соответствии с заявкой заказчика.
ОУД-1,6-70-04-А

|
Комплектация отборного устройства ОУД-1,6-70-04-А
|
||||
|
Поз.
|
Наименование
|
рис.1
|
рис.2
|
рис.3
|
|
кол-во, шт.
|
||||
|
1
|
Кран 11б18бк1
|
1
|
1
|
1
|
|
2
|
Отвод ОС-16-04н-G1/2-А
|
1
|
1
|
-
|
|
3
|
Прокладка медная
|
1
|
1
|
2
|
|
4
|
Бобышка БОС-14
|
-
|
1
|
-
|
|
5
|
Отвод ОС-16-04нн-G1/2-М20х1,5-А
|
-
|
-
|
1
|
|
6
|
Бобышка 3/28-50-М20х1,5
|
-
|
-
|
1
|
Примечание – Возможна комплектация отводов исполнения 04 на давления, температуры и среды, в соответствии с заявкой заказчика.
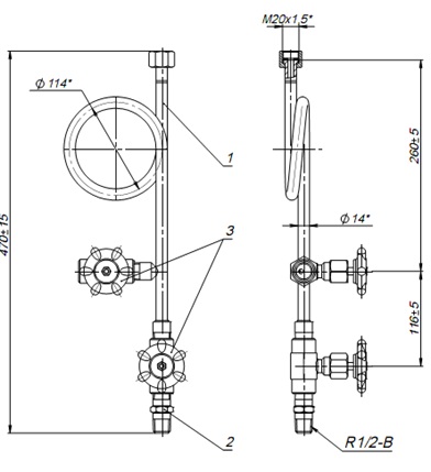
ОУД-1,6-225-05-А
Отборное устройство давления: Исполнение – прямое петлевое,

|
Комплектация отборного устройства ОУД-1,6-225-05-А
|
||||
|
Поз.
|
Наименование
|
рис.1
|
рис.2
|
рис.3
|
|
кол-во, шт.
|
||||
|
1
|
Кран 11б18бк1
|
1
|
1
|
1
|
|
2
|
Отвод ОС-16-05н-G1/2-А
|
1
|
1
|
-
|
|
3
|
Прокладка медная
|
1
|
1
|
2
|
|
4
|
Бобышка БОС-14
|
-
|
1
|
-
|
|
5
|
Отвод ОС-16-05нн-G1/2-М20х1,5-А
|
-
|
-
|
1
|
|
6
|
Бобышка 3/28-50-М20х1,5
|
-
|
-
|
1
|
Примечание – Возможна комплектация отводов исполнения 05 на давления, температуры и среды, в соответствии с заявкой заказчика.
ОУД-1,6-225-06-А
Отборное устройство давления: Исполнение – угловое петлевое,

|
Комплектация отборного устройства ОУД-1,6-225-06-А
|
||||
|
Поз.
|
Наименование
|
рис.1
|
рис.2
|
рис.3
|
|
кол-во, шт.
|
||||
|
1
|
Кран 11б18бк1
|
1
|
1
|
1
|
|
2
|
Отвод ОС-16-06н-G1/2-А
|
1
|
1
|
-
|
|
3
|
Прокладка медная
|
1
|
1
|
2
|
|
4
|
Бобышка БОС-14
|
-
|
1
|
-
|
|
5
|
Отвод ОС-16-06нн-G1/2-М20х1,5-А
|
-
|
-
|
1
|
|
6
|
Бобышка 3/28-50-М20х1,5
|
-
|
-
|
1
|
Примечание – Возможна комплектация отводов исполнения 06 на давления, температуры и среды, в соответствии с заявкой заказчика.
ОУД-1,6-225-07-А
Отборное устройство давления: Исполнение – угловое петлевое,

|
Комплектация отборного устройства ОУД-1,6-225-07-А
|
||||
|
Поз.
|
Наименование
|
рис.1
|
рис.2
|
рис.3
|
|
кол-во, шт.
|
||||
|
1
|
Кран 11б18бк1
|
1
|
1
|
1
|
|
2
|
Отвод ОС-16-07н-G1/2-А
|
1
|
1
|
-
|
|
3
|
Прокладка медная
|
1
|
1
|
2
|
|
4
|
Бобышка БОС-14
|
-
|
1
|
-
|
|
5
|
Отвод ОС-16-07нн-G1/2-М20х1,5-А
|
-
|
-
|
1
|
|
6
|
Бобышка 3/28-50-М20х1,5
|
-
|
-
|
1
|
ОУД-1,6-225-08-А
Отборное устройство давления: Исполнение – угловое петлевое,

|
Комплектация отборного устройства ОУД-1,6-225-08-А
|
||||
|
Поз.
|
Наименование
|
рис.1
|
рис.2
|
рис.3
|
|
кол-во, шт.
|
||||
|
1
|
Кран 11б18бк1
|
1
|
1
|
1
|
|
2
|
Отвод ОС-16-0н-G1/2-А
|
1
|
1
|
-
|
|
3
|
Прокладка медная
|
1
|
1
|
2
|
|
4
|
Бобышка БОС-14
|
-
|
1
|
-
|
|
5
|
Отвод ОС-16-08нн-G1/2-М20х1,5-А
|
-
|
-
|
1
|
|
6
|
Бобышка 3/28-50-М20х1,5
|
-
|
-
|
1
|
Примечание – Возможна комплектация отводов исполнения 08 на давления, температуры и среды, в соответствии с заявкой заказчика.
